SMS250E
SMS250E驳接爪系列概述
别名玻璃爪,驳接爪主要作为支承驳接头,并传递荷载作用到固定的支撑结构体系上,是连接玻璃幕墙的一个重要配件。
产品用途
驳接爪在玻璃幕墙中就起到了衔接的作用,通过驳接头将荷载传递给钢结构或其他主体结构上,它的力学性能在此显得尤为重要。
产品性能说明
使用驳接爪连接的玻璃幕墙外观通透,由于无墙体,采光好,可使室内空间和室外环境融合。驳接爪支承结构多样,可满足不同建筑结构和装饰效果的需要。部分驳接爪件采用球铰连接,具有吸收变形能力,在安全性上也有很大的保障。
常规外形:
四爪,三爪,两爪90度,两爪180度,长单爪,短单爪,K型爪,工字爪等。
不锈钢驳接爪的套件可分为:
1、四爪驳接爪(套)包括四个驳接头和一个转接件;
2、两爪驳接爪(套)包括90和180含两个驳接头和一个转接件;
3、单八驳接爪(套)包括长单和短单含一个驳接头和一个拨接爪。
不锈钢驳接爪的安装
驳接头在安装之前要对其螺纹的松紧度,头与胶垫的配合情况逐一检查。先将驳接头的前部安装在玻璃的固定孔上并拧紧,确保每个驳接头的村垫齐全,使金属和玻璃隔离,确保玻璃的受力部分为面接触,并保证锁紧环锁紧密封。
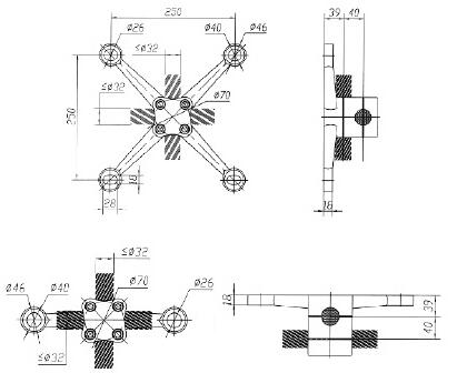
SMS250E驳接爪系列
SMS250E系列为圆形外观设计,适用于点支式钢索支撑杆结构系统。
外观:镜光、哑光、金钢砂、香槟色、氯碳喷涂颜色。
材质:304不锈钢、316不锈钢。
SMS250E驳接爪系列参数
SMS250E驳接爪系列概述
别名玻璃爪,驳接爪主要作为支承驳接头,并传递荷载作用到固定的支撑结构体系上,是连接玻璃幕墙的一个重要配件。
产品用途
驳接爪在玻璃幕墙中就起到了衔接的作用,通过驳接头将荷载传递给钢结构或其他主体结构上,它的力学性能在此显得尤为重要。
产品性能说明
使用驳接爪连接的玻璃幕墙外观通透,由于无墙体,采光好,可使室内空间和室外环境融合。驳接爪支承结构多样,可满足不同建筑结构和装饰效果的需要。部分驳接爪件采用球铰连接,具有吸收变形能力,在安全性上也有很大的保障。
常规外形:
四爪,三爪,两爪90度,两爪180度,长单爪,短单爪,K型爪,工字爪等。
不锈钢驳接爪的套件可分为:
1、四爪驳接爪(套)包括四个驳接头和一个转接件;
2、两爪驳接爪(套)包括90和180含两个驳接头和一个转接件;
3、单八驳接爪(套)包括长单和短单含一个驳接头和一个拨接爪。
不锈钢驳接爪的安装
驳接头在安装之前要对其螺纹的松紧度,头与胶垫的配合情况逐一检查。先将驳接头的前部安装在玻璃的固定孔上并拧紧,确保每个驳接头的村垫齐全,使金属和玻璃隔离,确保玻璃的受力部分为面接触,并保证锁紧环锁紧密封。
SMS250E驳接爪系列
SMS250E系列为圆形外观设计,适用于点支式钢索支撑杆结构系统。
外观:镜光、哑光、金钢砂、香槟色、氯碳喷涂颜色。
材质:304不锈钢、316不锈钢。
SMS250E驳接爪系列参数