欢迎访问不锈钢精密铸造精密铸造厂家
江苏红阳全月机械制造有限公司!
  咨询热线:0523-83788826
当前所在位置: 首页 » 点支式幕墙配件 » 雨棚配件 » SMSQ-4雨棚配件

产品分类

loading

分享到:

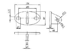
SMSQ-4雨棚配件

状态:
数量:
  • SMSQ-4

SMSQ-4雨棚配件安装示意图

示意图示意图1


SMSQ-4雨棚配件

SMSQ-4雨棚配件


SMSQ-4雨棚配件参数

SMSQ-4参数

上一条: 
下一条: 

免费获取产品报价

我们的工作人员将会在24小时之内联系您,如果需要其他服务,欢迎拨打 服务热线:0523-83788826。
产品咨询
联系我们
地址 :江苏省兴化市戴南镇铸造园1号
电话 :0523-83788826 83782409
手机 :188 6105 6545   李彬彬
手机 :139 0526 9918   刘小英
传真 :0523-83780786
邮箱 : 
jsxhxytg@163.com
网址 : 
www.hongyangquanyue.com
扫一扫,
关注红阳全月公众号
江苏红阳全月机械制造有限公司:精密铸造不锈钢精密铸造硅溶胶精密铸造不锈钢精密铸件专业厂家
©Copyright 2025 江苏红阳全月机械制造有限公司 版权所有  苏ICP备20042488号-1